人形や乗り物に仕込む小さなアンプ..これはお台場の某TV局のエレベーターに使われてしまった。
大丈夫かな....



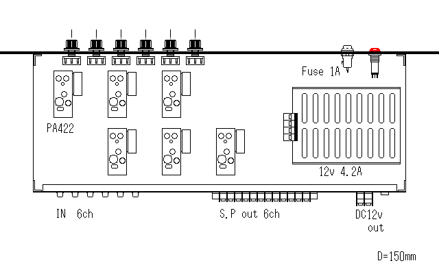
小さなアンプを一つのケースに6台組み込んだ時のプランニング図


解説へ戻る


機材に戻る