ホーム>丸洗い>丸洗い説明>丸洗い汚れ>丸洗い効果

ふとん丸洗いの効果
綿の外見こんなにきれいになります。
洗浄工程で洗濯機から出てくる水です。。
ふとんの外見です。膨らみ具合は中綿の品質で変わります。
布団の中までこんなにきれいになります。
ふとんにおけるダニ抗原除去結果
|
ふとんの状態 |
| 除去方法 |
残有水分量 |
ダニ死滅 |
ダニ抗原除去 |
| 天日乾燥 |
○ |
× |
× |
| 熱風乾燥 |
◎ |
◎ |
× |
| 機械式丸洗い |
◎ |
◎ |
◎ |
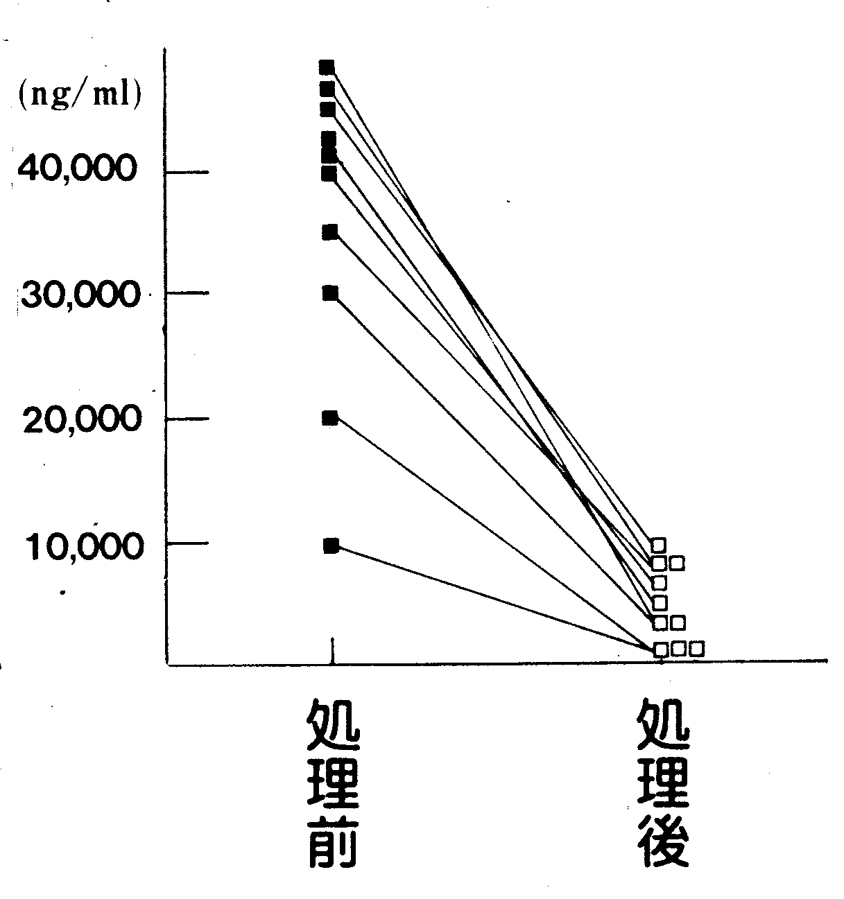
群馬県立がんセンター東毛病院医学博士 館野幸司
洗う前と後でダニ抗原数を調べました。
丸洗いの工程
丸洗いの価格
集配の地域